1. Giới thiệu chung
Van bướm hộp số TBL-62185F nhãn hiệu TLSH-France là loại van bướm đồng tâm (concentric), kết nối hai mặt bích (flanged type), được tích hợp hộp số tay quay để hỗ trợ vận hành nhẹ nhàng, chính xác. Van được thiết kế để sử dụng trong các hệ thống cấp thoát nước, xử lý nước, HVAC, PCCC, thực phẩm, đồ uống, hóa chất..., phù hợp cho cả môi trường làm việc áp lực vừa đến cao.

2. Ứng dụng
- Hệ thống cấp nước và phân phối nước sạch.
- Hệ thống xử lý nước thải công nghiệp.
- Hệ thống HVAC (làm mát, điều hòa).
- Nhà máy hóa chất, thực phẩm, đồ uống.
- Hệ thống PCCC công nghiệp và tòa nhà cao tầng.
3. Thông số kỹ thuật
Thông số |
Giá trị |
Kiểu van |
Van bướm đồng tâm hai mặt bích có hộp số |
Dải kích cỡ |
DN50 – DN1000 |
Áp suất làm việc tối đa |
10 bar hoặc 16 bar (tuỳ kích cỡ và yêu cầu đặt hàng) |
Nhiệt độ làm việc tối đa |
+110°C |
Áp suất thử thân (Body) |
15 bar / 24 bar |
Áp suất thử ghế (Seat) |
11 bar / 17.6 bar |
Tiêu chuẩn chiều dài lắp đặt |
BS 5155, ISO 5752 |
Mặt bích khoan lỗ theo tiêu chuẩn |
EN 1092-1 |
Chuẩn gắn bộ truyền động |
ISO 5211 |
Sơn phủ bề mặt |
Epoxy tĩnh điện |
Phương thức vận hành |
Hộp số tay quay (tùy chọn điều khiển điện/khí nén) |
Tiêu chuẩn kiểm tra |
EN 12266-1 |
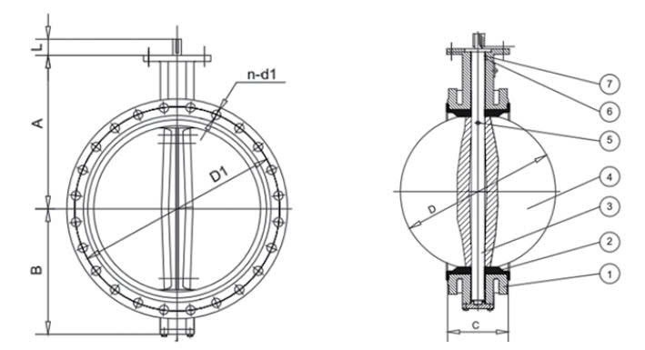
4. Vật liệu cấu tạo

STT |
Bộ phận |
Vật liệu |
1 |
Thân van (Body) |
Gang dẻo GGG50 |
2 |
Gioăng làm kín (Seat) |
EPDM |
3 |
Trục van (Shaft) |
Inox 416 |
4 |
Đĩa van (Disc) |
Gang dẻo GGG50 |
5. Ưu điểm nổi bật
- Cơ cấu hộp số nhẹ nhàng, chính xác, phù hợp với đường kính lớn và áp lực cao.
- Kết nối hai mặt bích chắc chắn, đảm bảo độ kín và an toàn khi làm việc lâu dài.
- Thân và đĩa bằng gang dẻo GGG50, tăng độ bền cơ học và khả năng chịu áp.
- Gioăng EPDM và O-ring NBR, chống mài mòn, phù hợp với nước, khí, hóa chất nhẹ.
- Sơn epoxy toàn thân, bảo vệ van khỏi ăn mòn và tăng tuổi thọ sử dụng.