1. Giới thiệu chung
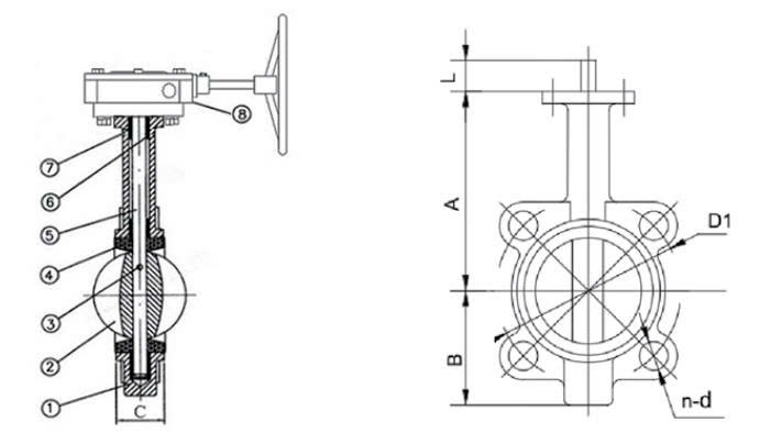
Van bướm hộp số TBL-66185F nhãn hiệu TLSH-France là dòng van bướm kiểu wafer được trang bị hộp số tay quay (gear box), cho phép vận hành dễ dàng và chính xác trong hệ thống đường ống lớn hoặc áp lực cao. Van được thiết kế lắp giữa hai mặt bích (wafer type), phù hợp cho nhiều ứng dụng như cấp nước, hệ thống PCCC, HVAC, làm mát và xử lý nước thải.
Van đáp ứng tiêu chuẩn châu Âu về kích thước, áp lực và kiểm định, sơn phủ epoxy chống ăn mòn, cho độ bền và hiệu quả vận hành cao.

2. Ứng dụng
- Hệ thống cấp nước sạch, nước công nghiệp.
- Hệ thống phòng cháy chữa cháy (PCCC).
- HVAC (hệ thống điều hòa thông gió).
- Hệ thống làm mát và xử lý nước thải.
- Công trình dân dụng, tòa nhà cao tầng, nhà máy.
3. Thông số kỹ thuật
Thông số |
Giá trị |
Kiểu van |
Van bướm wafer có hộp số |
Phương thức vận hành |
Hộp số tay quay (gear box) |
Tuỳ chọn điều khiển |
Điện, khí nén, công tắc giới hạn |
Kích cỡ danh định |
DN50 – DN300 |
Áp suất làm việc tối đa |
16 bar |
Nhiệt độ làm việc tối đa |
+110°C |
Áp suất thử thân (Body) |
24 bar |
Áp suất thử ghế (Seat) |
17.6 bar |
Tiêu chuẩn lắp đặt |
DIN 3202 (chiều dài mặt bích) |
Tiêu chuẩn khoan lỗ mặt bích |
EN 1092-2 |
Chuẩn gắn thiết bị truyền động |
ISO 5211 |
Sơn phủ |
Epoxy tĩnh điện |
Tiêu chuẩn kiểm tra |
EN 12266-1 |
4. Vật liệu cấu tạo

STT |
Bộ phận |
Vật liệu |
1 |
Thân van (Body) |
Gang dẻo GGG50 |
2 |
Đĩa van (Disc) |
Gang dẻo GGG50 |
4 |
Gioăng làm kín (Seat) |
EPDM |
5 |
Trục (Shaft) |
Inox 416 |
5. Ưu điểm nổi bật
- Trang bị hộp số giúp vận hành nhẹ nhàng, chính xác, đặc biệt cho đường ống lớn hoặc áp cao.
- Thiết kế wafer gọn gàng, dễ lắp đặt giữa hai mặt bích.
- Trục và vòng làm kín bằng inox – PTFE – EPDM, bền bỉ trong môi trường nước, hóa chất nhẹ.
- Sơn epoxy toàn bộ thân van, tăng khả năng chống ăn mòn, bảo vệ lâu dài.
- Tùy chọn nâng cấp điều khiển: khí nén, điện hoặc tín hiệu giám sát.